Viele Register und Bits in diesem Dokument werden allgemein beschrieben. Der Index „n“ steht für die Nummer des Timer/Counter, in diesem Fall also für eine 1, und der Index „x“ steht für den Kanal der Output Compare Einheit. In einem Programm müssen aber immer die präzisen Bezeichnungen angegeben werden, also z.B. TCNT1 um auf den Wert des Timer/Counter1 zuzugreifen.
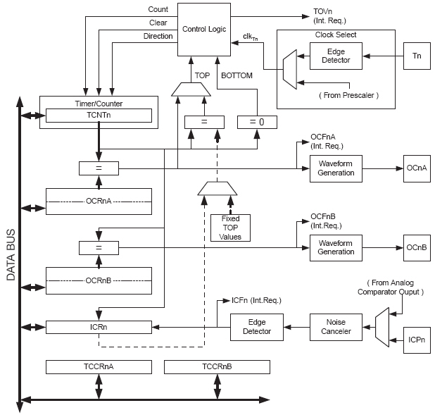
Ein einfaches Blockschaltbild des 16-bit Timer/Counter ist nachfolgend dargestellt. Die Nummern der Pins sind von der Gehäuseform des Bausteins abhängig (siehe Anschlussbelegung). Die I/O-Register, die dazugehörigen I/O-Bits und die I/O-Pins, auf die die CPU direkt zugreifen kann, sind fett dargestellt.
Blockdiagramm Timer 1 des ATmega8