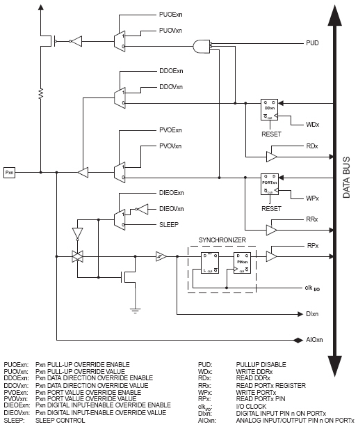
Alternative Portfunktion
Hinweis: WPx, WDx, RRx, RPx und RDx sind mit allen Pins eines Ports verbunden, clkI/O, SLEEP und PUD sind mit allen Ports verbunden.| Signal Name | Bedeutung | Beschreibung |
| PUOE | Pull-up Override Enable | Wenn dieses Signal gesetzt ist, wird die Freigabe der Pull-up Widerstände durch das PUOV Signal kontrolliert. Wenn dieses Signal gelöscht ist, sind die Pull-up Widerstände freigegeben, wenn DDxn, PORTxn, PUD = 010 sind. |
| PUOV | Pull-up Override Value | Wenn PUOE gesetzt ist, werden die Pull-up Widerstände freigegeben/gesperrt, wenn PUOV gesetzt/gelöscht ist, unabhängig vom Zustand der DDxn, PORTxn und PUD Register Bits. |
| DDOE | Data Ditrection Override Enable | Wenn dieses Signal gesetzt ist, wird die Freigabe des Ausgangstreibers mit dem DDOV-Signal kontrolliert. Wenn das DDOE Signal gelöscht ist, wird der Ausgangstreiber durch das DDxn Bit freigegeben |
| DDOV | Data Direction Override Value | Wenn DDOE gesetzt ist, werden die Ausgangstreiber freigegeben/gesperrt, wenn das DDOV-Signal gesetzt/gelöscht ist, unabhängig vom Zustand der DDxn Register Bits. |
| PVOE | Port Value Override Enable | Wenn dieses Signal gesetzt ist und der Ausgangstreiber freigegeben ist, wird der Zustand des Ports durch das PVOV Signal kontrolliert. Ist das PVOE Signal gelöscht und der Ausgangstreiber freigegeben, so wird der Zustand des Ports über die PORTxn Register Bits kontrolliert. |
| PVOV | Port Value Override Value | Wenn PVOE gesetzt ist, dann wird der Zustand des Ports durch das PVOV Signal bestiummt, unabhängig von den Einstellungen des PORTxn Register Bits. |
| DIEOV | Digital Input Enable Override Enable | Wenn dieses Bit gesetzt ist, wird die Freigabe der digitalen Eingänge durch das DIEOV Signal gesteuert. Wenn das Signal gelöscht ist wird die Freigabe der digitalen Eingänge dadurch bestimmt, ob sich der Controller im normalen Modus befindet oder in einem Sleep Modus. |
| DIEOV | Digital Input Enable Override Value | Wenn das DIEOE Signal gesetzt ist, werden die digitalen Eingänge freigegeben/gesperrt wenn das DIEOV Signal gesetzt/gelöscht ist, unabhängig davon, ob sich der Controller im normalen Modus befindet oder in einem Sleep Modus. |
| DI | Digital Input | Dies ist der digitale Eingang für die alternativen Funktionen. Die Schaltung zeigt, dass dieses Signal am Ausgang des Schmitt-Triggers aber vor dem Synchronisierer abgegriffen wird. Außer wenn der digitale Eingang als taktquelle verwendet wird, benutzten die alternativen Funktionen einen eigenen Synchronisator. |
| AIO | Analog Input/Output | Dies ist der analoge Eingang/Ausgang zu/von den alternativen Funktionen. Das Signal ist direkt mit dem Pin verbunden und kann bidirektional verwendet werden. |