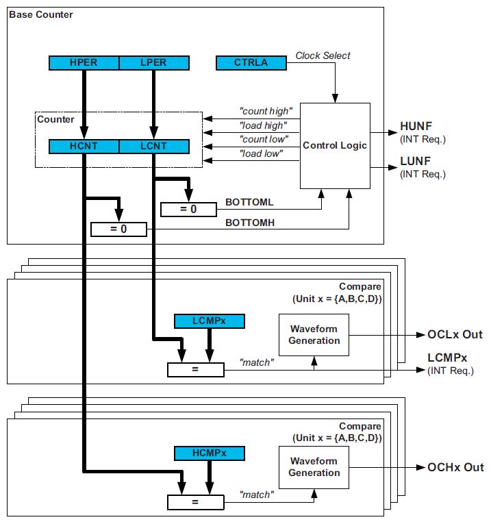
Ein Timer/Counter vom Typ 2 entsteht, wenn ein Timer/Counters vom Typ 0 im Splitmodus betrieben wird. Es entsteht dadurch ein System mit zwei 8 Bit Timer/Counters, jeder mit 4 Compare Channels. Damit können gleichzeitig acht PWM mit unterschiedlichen Pulsweiten erzeugt werden.
Die beiden 8 Bit Timer/Counter des Systems werden als Low Byte Timer/Counter und High Byte Timer/Counter bezeichnet. Nur der Low Byte Timer/Counter kann compare match Interrupts erzeugen und Events triggern.
Beide Timer/Counter haben eine gemeinsame Taktquelle aber separate Perioden und Compare Einstellungen. Sie können vom peripheren Takt oder vom Eventsystem getaktet werden. Die beiden Timer/Counter zählen immer rückwärts.
TC Typ2 Blockdiagramm