Das Eventsystem ermöglicht die direkte Kommunikation und Signalisierung zwischen peripheren Modulen des Controllers. Dadurch ist es möglich, dass eine Statusänderung in einem peripheren Modul eine Aktion in einem anderen peripheren Modul auslöst. Das Event System ist so gestaltet, dass ein vorhersehbares System mit kurzen und vorausbestimmten Reaktionszeiten zwischen peripheren Modulen aufgebaut werden kann. Dabei müssen keine Interruptroutinen durch die CPU ausgeführt werden.
Eine Statusänderung in einem peripheren Modul kann als Event bezeichnet werden, das üblicherweise einen Interrupt auslösen kann. Events können aber auch direkt über das event routing Netzwerk an ein anderes peripheres Modul weiterleitet werden. Wie Events verwendet und weitergeleitet werden, wird durch die Software bestimmt.
Event System
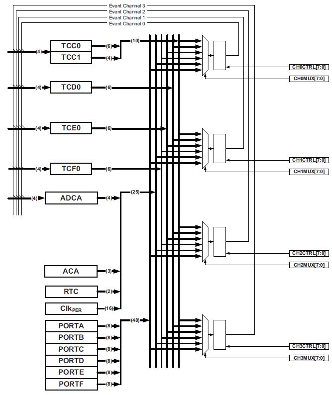
Das event routing Netzwerk besteht aus vier Multiplexern, die per Software konfiguriert werden. Sie werden als Event Channels bezeichnet und ermöglichen vier parallele Konfigurationen und routings. Die maximale routing Verzögerung beträgt zwei Taktzyklen der Peripherie.
Event Netzwerk